Available Suites
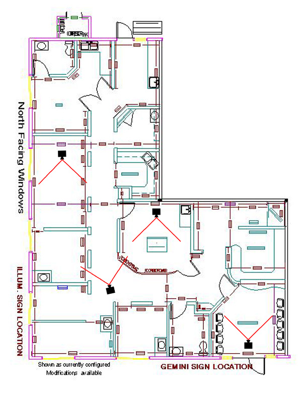
FULLY CUSTOMIZABLE MEDICAL- DENTAL / OFFICE SPACE - 2190 SF
Will Modify to Suit Tenant
Rear Exit To Parking and Break Areas
Windows on all sides of the suite for excellent, natural light
Just 2.5 miles from the I-215 and minutes from Green Valley Henderson
Illuminated Sunset Rd. Signage Available with exposure to over 45,000 vehicles per day




